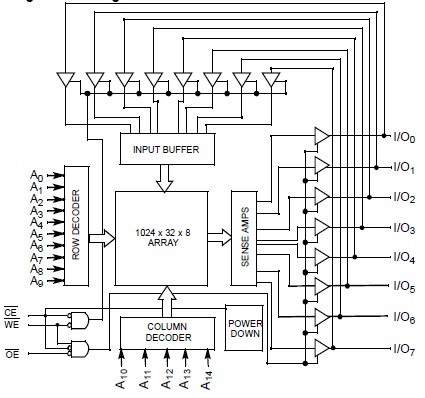
Product Summary
The CY7C199-20ZI is a high-performance CMOS static RAM organized as 32,768 words by 8 bits. Easy memory expansion is provided by an active LOW Chip Enable (CE) and active LOW Output Enable (OE) and three-state drivers. The CY7C199-20ZI has an automatic power-down feature, reducing the power consumption by 81% when deselected. The CY7C199-20ZI is in the standard 300-mil-wide DIP, SOJ, and LCC packages.
Parametrics
CY7C199-20ZI absolute maximum ratings: (1)Storage Temperature: –65℃ to +150℃; (2)Ambient Temperature with Power Applied:–55℃ to +125℃; (3)Supply Voltage to Ground Potential(Pin 28 to Pin 14): –0.5V to +7.0V; (4)DC Voltage Applied to Outputs in High-Z State:–0.5V to VCC + 0.5V; (5)DC Input Voltage: –0.5V to VCC + 0.5V; (6)Output Current into Outputs (LOW): 20 mA; (7)Static Discharge Voltage(per MIL-STD-883, Method 3015): > 2001V; (8)Latch-up Current: > 200 mA.
Features
CY7C199-20ZI features: (1)High speed: 10 ns; (2)Fast tDOE; (3)CMOS for optimum speed/power; (4)Low active power: 467 mW (max, 12 ns L version); (5)Low standby power: 0.275 mW (max, L version); (6)2V data retention (L version only); (7)Easy memory expansion with CE and OE features; (8)TTL-compatible inputs and outputs; (9)Automatic power-down when deselected.
Diagrams

(Hong Kong)






