Product Summary
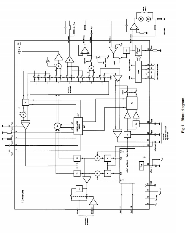
The TDA8809T is a Radial error signal processor. It is a bipolar integrated circuit which provides control signals for the radial motor. These control signals are generated from radial error signals received from a photo-diode signal processor (TDA8808), and velocity control signals from the control processor.
Parametrics
TDA8809T absolute maximum ratings: (1)supply voltage: VP pin 1 to pin 14: -0,3 to 13 V, Vext pin 12 to pin 13: -0,3 to 13 V, Vext(-)pin 14 to pin 13: -0,3 to 13 V; (2)Output voltage ranges: VO except RADout 0 to VP V, VO RADout Vext(-) to Vext(+)V; (3)IRDAC RDAC current range: 50 to 250 uA; (4)Tstg Storage temperature range: -55 to +150 °C; (5)Tamb Operating ambient temperature range: -30 to +85 °C; (6)Tj Operating junction temperature: 150 °C.
Features
TDA8809T features: (1)Tracking error processor with automatic asymmetry control; (2)AGC circuity with automatic start-up and wobble generator; (3)Tracking control for fast forward/reverse scan, search, repeat and pause functions; (4)Radial polarity - 4 - tracks counting; (5)Possibility for car, home and portable applications.
Diagrams
| Image | Part No | Mfg | Description | ![]() |
Pricing (USD) |
Quantity | ||||
|---|---|---|---|---|---|---|---|---|---|---|
![]() |
![]() TDA8809T |
![]() Other |
![]() |
![]() Data Sheet |
![]() Negotiable |
|
||||
| Image | Part No | Mfg | Description | ![]() |
Pricing (USD) |
Quantity | ||||
![]() |
![]() TDA8000 |
![]() Other |
![]() |
![]() Data Sheet |
![]() Negotiable |
|
||||
![]() |
![]() TDA8000T |
![]() Other |
![]() |
![]() Data Sheet |
![]() Negotiable |
|
||||
![]() |
![]() TDA8001 |
![]() Other |
![]() |
![]() Data Sheet |
![]() Negotiable |
|
||||
![]() |
![]() TDA8002 |
![]() Other |
![]() |
![]() Data Sheet |
![]() Negotiable |
|
||||
![]() |
![]() TDA8002C |
![]() Other |
![]() |
![]() Data Sheet |
![]() Negotiable |
|
||||
![]() |
![]() TDA8002C/CD |
![]() NXP Semiconductors |
![]() I/O Controller Interface IC SMRT CRD INTERFCE IC |
![]() Data Sheet |
![]() Negotiable |
|
||||
(Hong Kong)









