Product Summary
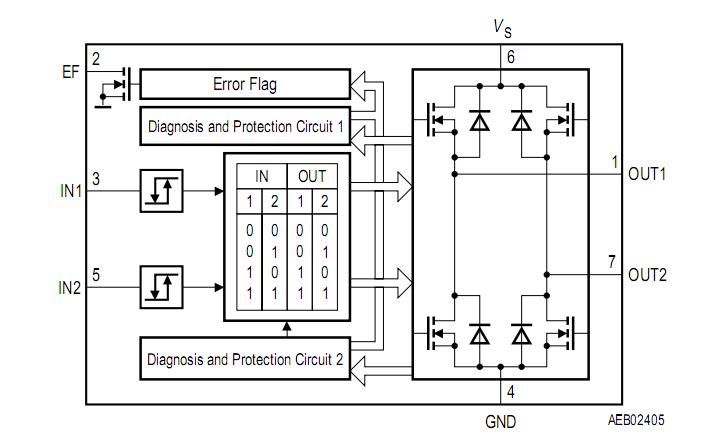
The TLE5206S is an integrated power H-bridge with DMOS output stages for driving DC-Motors. The part is built using the SIEMENS multi-technology process SPT which allows bipolar and CMOS control circuitry plus DMOS power devices to exist on the same monolithic structure.
Parametrics
TLE5206S absolute maximum ratings: (1)Supply voltage: -0.3 to 40V; (2)Logic input voltage: -0.3 to 7V; (3)Diagnostics output voltage: -0.3 to 7V; (4)Junction temperature: -40 to 150℃; (5)Storage temperature: -50 to 150℃.
Features
TLE5206S features: (1)Delivers up to 5 A continuous 6 A peak current; (2)Optimized for DC motor management applications; (3)Operates at supply voltages up to 40 V; (4)Output full short circuit protected; (5)Overtemperature protection with hysteresis and diagnosis; (6)Short circuit and open load diagnosis with open drain error flag; (7)Undervoltage lockout; (8)CMOS/TTL compatible inputs with hysteresis; (9)No crossover current; (10)Internal freewheeling diodes.
Diagrams

(Hong Kong)






