Product Summary
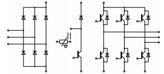
The SKIIP22NAC12IT42 is a 3-phase bridge rectifier + brake chopper + 3-phase bridge inverter. Typical applications of the SKIIP22NAC12IT42 include inverter up to 16 kVA, typical motor power 7,5 kW.
Parametrics
SKIIP22NAC12IT42 absolute maximum ratings: (1)IGBT - Inverter: VCES: 1200V; IC, Ts = 25 (70) ℃: 41 (31)A; ICRM, tp < 1 ms: 50A; VGES: ±20V; Tj: -40 to + 150℃; (2)Diode - Inverter: IF, Ts = 70 ℃: 46 A; IFSM, tp = 10 ms: 370A; Tj: -40 to + 150℃; (3)ItRMS, per power terminal (20 A / spring): 40A; (4)Tstg: Top≦Tstg: -40 to + 125℃; (5)Visol, AC, 1 min: 2500V.
Features
SKIIP22NAC12IT42 features: (1)Fast Trench IGBTs; (2)Robust and soft freewheeling diodes in CAL technology; (3)Highly reliable spring contacts for electrical connections; (4)UL recognised file no. E63532.
Diagrams

(Hong Kong)






