Product Summary
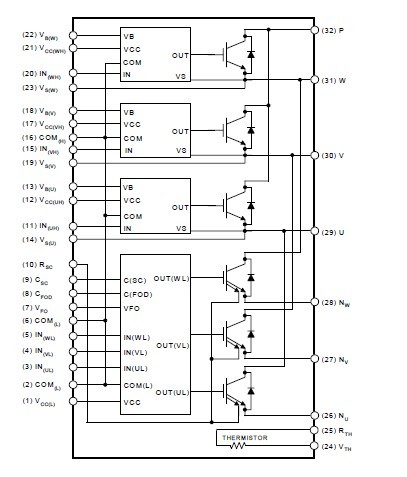
The FSAM30SH60A is an advanced smart power module (SPM) that Fairchild has newly developed and designed to provide very compact and high performance ac motor drives mainly targeting high speed low-power inverterdriven application like washing machines. The FSAM30SH60A combines optimized circuit protection and drive matched to low-loss IGBTs. Highly effective short-circuit current detection/ protection is realized through the use of advanced current sensing IGBT chips that allow continuous monitoring of the IGBTs current. Applications are (1)AC 100V ~ 253V 3-phase inverter drive for small power (2.4kW)ac motor drives; (2)Home appliances applications requiring high switching frequency operation like washing machines drive system.
Parametrics
FSAM30SH60A absolute maximum ratings: (1)Supply Voltage VPN Applied between P- N: 450 V; (2)Supply Voltage (Surge)VPN(Surge)Applied between P- N: 500 V; (3)Collector-Emitter Voltage VCES: 600 V; (4)Each IGBT Collector Current ± IC TC = 25°C: 30 A; (5)Each IGBT Collector Current ± IC TC = 100°C: 15 A; (6)Each IGBT Collector Current (Peak)± ICP TC = 25°C: 60 A; (7)Collector Dissipation PC TC = 25°C per One Chip: 62 W; (8)Operating Junction Temperature TJ: -55 to 150 °C.
Features
FSAM30SH60A features: (1)UL Certified No. E209204; (2)600V-30A 3-phase IGBT inverter bridge including control ICs for gate driving and protection; (3)Divided negative dc-link terminals for inverter current sensing applications; (4)Single-grounded power supply due to built-in HVIC; (5)Typical switching frequency of 15kHz; (6)Built-in thermistor for over-temperature monitoring; (7)Inverter power rating of 2.4kW / 100~253 Vac; (8)Isolation rating of 2500Vrms/min.; (9)Very low leakage current due to using ceramic substrate; (10)Adjustable current protection level by varying series resistor value with sense-IGBTs.
Diagrams

| Image | Part No | Mfg | Description | ![]() |
Pricing (USD) |
Quantity | ||||||||||||
|---|---|---|---|---|---|---|---|---|---|---|---|---|---|---|---|---|---|---|
![]() |
![]() FSAM30SH60A |
![]() Fairchild Semiconductor |
![]() IGBT Modules 600V/30A/ SPM2 |
![]() Data Sheet |
![]()
|
|
||||||||||||
| Image | Part No | Mfg | Description | ![]() |
Pricing (USD) |
Quantity | ||||||||||||
![]() |
![]() FSAM10SH60 |
![]() Fairchild Semiconductor |
![]() IGBT Transistors 600V 10A SPM2 |
![]() Data Sheet |
![]() Negotiable |
|
||||||||||||
![]() |
![]() FSAM10SH60A |
![]() Fairchild Semiconductor |
![]() IGBT Transistors 600V/10A/ SPM2 |
![]() Data Sheet |
![]()
|
|
||||||||||||
![]() |
![]() FSAM10SM60A |
![]() Fairchild Semiconductor |
![]() IGBT Transistors 600V/10A/ SPM2 |
![]() Data Sheet |
![]() Negotiable |
|
||||||||||||
![]() |
![]() FSAM15SH60 |
![]() Fairchild Semiconductor |
![]() IGBT Transistors 600V 15A SPM2 |
![]() Data Sheet |
![]() Negotiable |
|
||||||||||||
![]() |
![]() FSAM15SH60A |
![]() Fairchild Semiconductor |
![]() IGBT Transistors 600V/15A/ SPM2 |
![]() Data Sheet |
![]()
|
|
||||||||||||
![]() |
![]() FSAM15SL60 |
![]() Fairchild Semiconductor |
![]() IGBT Transistors 600V 15A SPM2 |
![]() Data Sheet |
![]() Negotiable |
|
||||||||||||
(Hong Kong)









